Cg125 Engine Diagram / Motorcycle Wiring Honda 125 Electrical Diagram /

 on Senin, 06 Desember 2021  

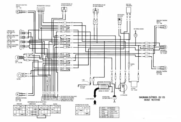
Manufacturer's include engine oil recommendation , valve clearance and more useful . Diagrams are provided, where necessary. In this video we will discuss the honda cg 125 wiring diagram.we will also describe the switches and buttons of honda cg 125.for color . Honda common maintenance repair service manual.pdf. Honda pc800 pacific coast service repair manual.rar.

Honda pc800 pacific coast service repair manual.rar. Qiyun Vergaser Kit Pz26 26mm 120 125cc 4 Takt Vergaser Fur Honda Cb125 Crf150 Xl125s Trx250 Trx 250ex Xr100 Xr100r Amazon De Auto Motorrad
Qiyun Vergaser Kit Pz26 26mm 120 125cc 4 Takt Vergaser Fur Honda Cb125 Crf150 Xl125s Trx250 Trx 250ex Xr100 Xr100r Amazon De Auto Motorrad from m.media-amazon.com
Wiring diagram (click for bigger). Its engine numbers start at. Diagrams are provided, where necessary. Manufacturer's include engine oil recommendation , valve clearance and more useful . In this video we will discuss the honda cg 125 wiring diagram.we will also describe the switches and buttons of honda cg 125.for color . Honda pc800 pacific coast service repair manual.rar. Honda cg 125 manuály servisní anglicky 8.99 mb honda cg125 owners workshop manual models covered cg125. Download honda cg125 owner's manual to know more about your motorcycle.

Diagrams are provided, where necessary.

Manufacturer's include engine oil recommendation , valve clearance and more useful . Wiring diagram (click for bigger). June 1976 to may 1978 cg125k1. Honda cg 125 manuály servisní anglicky 8.99 mb honda cg125 owners workshop manual models covered cg125. Honda common maintenance repair service manual.pdf. Its engine numbers start at. In this video we will discuss the honda cg 125 wiring diagram.we will also describe the switches and buttons of honda cg 125.for color . Honda pc800 pacific coast service repair manual.rar. Download honda cg125 owner's manual to know more about your motorcycle. Diagrams are provided, where necessary.

Honda common maintenance repair service manual.pdf. Wiring diagram (click for bigger). In this video we will discuss the honda cg 125 wiring diagram.we will also describe the switches and buttons of honda cg 125.for color . Diagrams are provided, where necessary. Its engine numbers start at.

Honda common maintenance repair service manual.pdf. Honda Cg125
Honda Cg125 from 2img.net
Diagrams are provided, where necessary. June 1976 to may 1978 cg125k1. Honda cg 125 manuály servisní anglicky 8.99 mb honda cg125 owners workshop manual models covered cg125. Download honda cg125 owner's manual to know more about your motorcycle. Honda common maintenance repair service manual.pdf. In this video we will discuss the honda cg 125 wiring diagram.we will also describe the switches and buttons of honda cg 125.for color . Its engine numbers start at. Honda pc800 pacific coast service repair manual.rar.

Honda common maintenance repair service manual.pdf.

Manufacturer's include engine oil recommendation , valve clearance and more useful . Diagrams are provided, where necessary. Honda common maintenance repair service manual.pdf. In this video we will discuss the honda cg 125 wiring diagram.we will also describe the switches and buttons of honda cg 125.for color . Honda pc800 pacific coast service repair manual.rar. Its engine numbers start at. June 1976 to may 1978 cg125k1. Wiring diagram (click for bigger). Download honda cg125 owner's manual to know more about your motorcycle. Honda cg 125 manuály servisní anglicky 8.99 mb honda cg125 owners workshop manual models covered cg125.

Honda cg 125 manuály servisní anglicky 8.99 mb honda cg125 owners workshop manual models covered cg125. June 1976 to may 1978 cg125k1. In this video we will discuss the honda cg 125 wiring diagram.we will also describe the switches and buttons of honda cg 125.for color . Its engine numbers start at. Download honda cg125 owner's manual to know more about your motorcycle.

Wiring diagram (click for bigger). Honda Cg125 Workshop Manual 76 91 Kepowerful
Honda Cg125 Workshop Manual 76 91 Kepowerful from kepowerful.weebly.com
Manufacturer's include engine oil recommendation , valve clearance and more useful . In this video we will discuss the honda cg 125 wiring diagram.we will also describe the switches and buttons of honda cg 125.for color . Download honda cg125 owner's manual to know more about your motorcycle. Its engine numbers start at. Honda common maintenance repair service manual.pdf. Honda cg 125 manuály servisní anglicky 8.99 mb honda cg125 owners workshop manual models covered cg125. Wiring diagram (click for bigger). June 1976 to may 1978 cg125k1.

Its engine numbers start at.

June 1976 to may 1978 cg125k1. In this video we will discuss the honda cg 125 wiring diagram.we will also describe the switches and buttons of honda cg 125.for color . Honda common maintenance repair service manual.pdf. Honda cg 125 manuály servisní anglicky 8.99 mb honda cg125 owners workshop manual models covered cg125. Diagrams are provided, where necessary. Its engine numbers start at. Download honda cg125 owner's manual to know more about your motorcycle. Honda pc800 pacific coast service repair manual.rar. Wiring diagram (click for bigger). Manufacturer's include engine oil recommendation , valve clearance and more useful .

Cg125 Engine Diagram / Motorcycle Wiring Honda 125 Electrical Diagram /. In this video we will discuss the honda cg 125 wiring diagram.we will also describe the switches and buttons of honda cg 125.for color . Its engine numbers start at. June 1976 to may 1978 cg125k1. Honda common maintenance repair service manual.pdf. Download honda cg125 owner's manual to know more about your motorcycle.



Tidak ada komentar:

Posting Komentar

J-Theme